LPG(W)臥式過濾器_LPGK(W)臥式快開過濾器產品概述
LPG(W)臥式過濾器是一種臥式安裝適用于介質為液體的管道用籃式過濾器,由封頭和筒體組成殼體,其左側和正面方向分別設有流體進口和出口,殼體內置有有利于機械雜質分離沉降的濾芯,并經側蓋和殼體右側端蓋法蘭通過緊固螺母壓緊固定,工作時,待處理液體從左側進液口進入過濾器內,經過置有一定規格濾網的濾筒后將固體雜質濾除掉,從出液口流出即可,當需要清洗時,只要將可拆卸的側蓋打開,把濾芯從筒體內抽出,處理后重新裝入即可,因此,使用維護極為方便。
LPG(W)臥式過濾器是我廠選用JB/T 7538-2016管道用籃式過濾器標準設計制造的一款產品,其采用雙層過濾網結構,一層是由不銹鋼冷軋鋼板沖制成粗間隙圓孔篩板卷制而成的濾筒,另層為使用細間隙金屬絲編織方孔篩網制做的濾網,可以對液體中的大小顆粒雜質同時進行過濾,能夠給予雙重的保護,本產品具有過濾面積大,過濾芯的凈過流面積為進口截流面積的3~10倍,壓力損失小,排污清洗方便等特點,特別適合固體雜質含量較多的工作介質,宜安裝在有90°流向變化處。
LPG(W)臥式過濾器_LPGK(W)臥式快開過濾器部件材料
序號  | 部件名稱  | 材料名稱  | ||||
1  | 筒 體  | Q235B  | 20#  | S30408  | S31608  | S31603  | 
2  | 封 頭  | Q235B  | 20#  | S30408  | S31608  | S31603  | 
3  | 接 管  | Q235B  | 20#  | S30408  | S31608  | S31603  | 
4  | 法 蘭  | Q235B  | 20#  | S30408  | S31608  | S31603  | 
5  | 側 蓋  | Q235B  | Q235B  | S30408  | S31608  | S31603  | 
6  | 濾筒濾網  | 304  | 304  | S30408  | S31608  | S31603  | 
7  | 螺 栓  | 35CrMoA  | 35CrMoA  | S30408  | S31608  | S31608  | 
8  | 螺 母  | 30CrMoA  | 30CrMoA  | S30408  | S31608  | S31608  | 
9  | 排 污 口  | Q235B  | 20#  | S30408  | S31608  | S31603  | 
LPG(W)臥式過濾器_LPGK(W)臥式快開過濾器性能規范
公稱壓力PN(MPa)  | 1.0  | 1.6  | 2.5  | 4.0  | 6.3  | 
殼體試驗壓力(MPa)  | 1.5  | 2.4  | 3.75  | 6.0  | 9.45  | 
高壓液密封試驗壓力(MPa)  | 1.1  | 1.76  | 2.75  | 4.4  | 6.93  | 
低壓氣密封試驗壓力(MPa)  | 0.6  | 0.6  | 0.6  | 0.6  | 0.6  | 
設計制造  | JB/T 7538-2016 管道用籃式過濾器  | ||||
法蘭標準  | JB/T 81~82、GB/T 9115~9119、HG/T 20592~20615、SH/T 3406、ASME B16.5  | ||||
檢驗驗收  | JB/T 7538-2016 管道用籃式過濾器  | ||||
過濾精度  | 20μm ~ 16000μm  | ||||
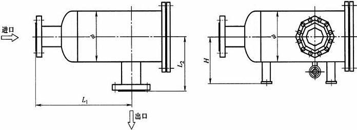
LPG(W)臥式過濾器_LPGK(W)臥式快開過濾器外型尺寸
設計壓力 MPa  | 公稱通徑 DN  | 公稱尺寸 NPS  | 尺寸(mm)  | |||
Φ  | L1  | L2  | H  | |||
0.25 ~ 10.0  | 300  | 12  | 500  | 1000  | 550  | 540  | 
350  | 14  | 600  | 1200  | 650  | 600  | |
400  | 16  | 700  | 1300  | 700  | 650  | |
450  | 18  | 800  | 1400  | 800  | 700  | |
500  | 20  | 900  | 1500  | 900  | 800  | |
600  | 24  | 1000  | 1700  | 1000  | 900  | |
700  | 28  | 1200  | 1700  | 1000  | 1000  | |
800  | 32  | 1400  | 2000  | 1100  | 1100  | |
900  | 36  | 1600  | 2200  | 1200  | 1200  | |
1000  | 40  | 1800  | 2300  | 1300  | 1300  | |
LPG(W)臥式過濾器_LPGK(W)臥式快開過濾器結構圖

如果你需訂購我廠管道過濾器產品,咨詢時煩請提供型號數據,公稱直徑、公稱壓力、殼體材質、濾籃材質及過濾精度、法蘭標準、法蘭密封面形式等,本系列產品按功能類別不同有LPG(W)型臥式普通過濾器和LPGK(W)型臥式快開過濾器兩種,如有特殊要求,請來電咨詢。
網站首頁