快開保溫籃式過濾器產品概述
快開保溫籃式過濾器是一種筒體開口上焊接有快開盲板,可實現快速開啟和關閉筒蓋,并能用蒸汽或熱油等流體在其夾套中進行流動加熱,以便除去易凝固和結晶的液體或氣體中含有的少量固態雜物的快開保溫夾套籃式過濾器。它是在普通直通或高低籃式過濾器的外殼上再焊接一層金屬夾套,用于注入保溫加熱流體,以保持或提高物料的溫度,避免被過濾介質因溫度下降而凝固或結晶。其筒體和筒蓋的連接方式被設計成可以在很短時間內就能完成拆卸的快開結構,當需要清洗或更換濾籃時,只要旋轉環形螺母,使活接螺栓與法蘭和法蘭蓋分開,然后把筒蓋移向一邊,就可以取出濾籃進行處理,從而減輕了勞動強度,同時也提高了工作效率。本產品適用于需頻繁清洗或更換濾籃的工況,用以過濾低溫環境下或常溫下會凝固的高粘度介質中所含的固體雜質。
快開保溫籃式過濾器部件材料
| 序號 | 部件名稱 | 材料名稱 | |||||
| 1 | 筒 體 | Q235B | 20# | 304 | 304L | 316 | 316L | 
| 2 | 接 管 | Q235B | 20# | 304 | 304L | 316 | 316L | 
| 3 | 法 蘭 | Q235B | 20# | 304 | 304L | 316 | 316L | 
| 4 | 筒 蓋 | Q235B | 20# | 304 | 304L | 316 | 316L | 
| 5 | 墊 片 | 柔性石墨纏繞、聚四氟乙烯、帶內外環金屬纏繞墊 | |||||
| 6 | 濾 籃 | 304 | 304 | 304 | 304L | 316 | 316L | 
| 7 | 活接螺栓 | 35 | 35 | 304 | 304 | 316 | 316 | 
| 8 | 吊環螺母 | 45 | 45 | 304 | 304 | 316 | 316 | 
| 9 | 保溫夾套 | Q235B | Q235B | 304 | 304 | 304 | 304 | 
快開保溫籃式過濾器技術規范
| 公稱壓力PN(MPa) | 1.0 | 1.6 | 2.5 | 4.0 | 2.0 | 5.0 | 
| 殼體強度試驗壓力(MPa) | 1.5 | 2.4 | 3.75 | 6.0 | 3.0 | 7.5 | 
| 氣密性試驗壓力(MPa) | 1.0 | 1.6 | 2.5 | 4.0 | 2.0 | 5.0 | 
| 設計制造 | SH/T 3411-1999、JB/T 7538-2016、HG/T 21637-1991 | |||||
| 法蘭尺寸 | JB/T 81~82、GB/T 9115~9119、HG/T 20592、HG/T 20615、SH/T 3406、ASME B16.5等 | |||||
| 檢驗驗收 | SH/T 3411-1999、JB/T 7538-2016、HG/T 21637-1991 | |||||
| 過濾精度 | 0.02mm-16.0mm | |||||
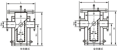
快開保溫籃式過濾器主要尺寸
| 公稱壓力 PN  | 公稱直徑 DN  | 結構尺寸/mm | 全夾套式 A×B(mm)  | ||||
| L | H | H1 | D | Φd | |||
| 10 | 15 | 215 | 350 | 180 | 108 | 60 | 15×40 | 
| 20 | 215 | 350 | 180 | 108 | 60 | 20×40 | |
| 25 | 215 | 350 | 180 | 108 | 60 | 25×50 | |
| 32 | 235 | 360 | 180 | 108 | 60 | 32×50 | |
| 40 | 300 | 430 | 210 | 159 | 60 | 40×80 | |
| 50 | 300 | 430 | 210 | 159 | 60 | 50×80 | |
| 65 | 450 | 490 | 250 | 159 | 100 | 65×100 | |
| 80 | 460 | 530 | 290 | 273 | 100 | 80×125 | |
| 100 | 500 | 600 | 345 | 325 | 140 | 100×150 | |
| 125 | 580 | 700 | 410 | 377 | 170 | 125×200 | |
| 150 | 600 | 780 | 470 | 377 | 200 | 150×200 | |
| 200 | 660 | 930 | 580 | 426 | 250 | 200×250 | |
| 表中全保溫夾套式的規格以A×B表示,其中A表示法蘭內徑的公稱尺寸,B表示法蘭其他尺寸的公稱尺寸。 | |||||||
快開保溫籃式過濾器結構圖

本產品有快開半夾套籃式過濾器和快開全夾套籃式過濾器兩種。訂購籃式過濾器時請注明結構型式,公稱通徑、公稱壓力、材質、過濾精度、工作溫度、法蘭標準及端面形式等。以上產品尺寸為常規通用型,如需其他規格尺寸,請來電咨詢。
網站首頁