錐型過濾器產品概述
SC24S平頂錐型過濾器是一種僅在裝置開車前臨時使用,用以管道系統正式運行前試壓和清潔時,去除管內殘留的固體雜質的錐型過濾器,其由濾框和濾網等構成,濾框一般由不銹鋼冷軋鋼板沖制成具有分布均勻孔徑的篩板,并卷成外形為圓錐臺形狀,上端焊接有法蘭或帶耳板的安裝環,下端用圓形沖孔板封底,內壁碰焊固定有相應規格的金屬編織絲網,而且濾網目數的選擇主要考慮能滿足工藝過程的需要或對泵、壓縮機等流體輸送機械能起到保護作用的目的。本產品通常臨時設置在管道上,多作為管路系統竣工前試壓和清洗時使用,具有結構簡單,體積小,重量輕,拆裝清洗方便等特點,它既可以設置在直管段,又可在90°彎頭處安裝,但需要配置可拆卸的短管。
錐型過濾器部件材料
| 序號 | 部件名稱 | 材料名稱 | |||||
| 1 | 濾 框 | S30408 | S30403 | S31608 | S31603 | S31803 | S32750 | 
| 2 | 濾 網 | S30408 | S30403 | S31608 | S31603 | S31803 | S32750 | 
| 3 | 安 裝 環 | S30408 | S30403 | S31608 | S31603 | S31803 | S32750 | 
| 4 | 沖孔底板 | S30408 | S30403 | S31608 | S31603 | S31803 | S32750 | 
錐型過濾器技術規范
| 設計制造 | HG/T 21637-1991 化工管道過濾器 | 
| 法蘭標準 | HG/T 20592-2009、HG/T 20615-2009、ASME B16.5-2017等 | 
| 檢驗驗收 | HG/T 21637-1991 化工管道過濾器 | 
| 過濾精度 | 2目 ~ 600目 | 
| 工作溫度 | -196℃ ~ 400℃ | 
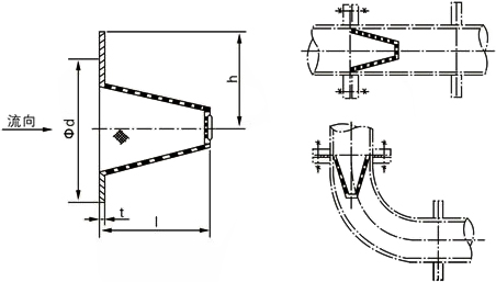
錐型過濾器主要尺寸
| 公稱壓力 PN  | 公稱通徑 DN  | 安裝尺寸/mm | |||||
| ?d (PN6) | ?d (PN10) | ?d (PN25) | l | h | t | ||
| 6 ~ 25 | 25 | 62 | 70 | 70 | 46 | 90 | 2 | 
| 32 | 72 | 80 | 80 | 61 | 100 | 2 | |
| 40 | 84 | 90 | 90 | 66 | 120 | 2 | |
| 50 | 94 | 105 | 105 | 81 | 130 | 2 | |
| 65 | 114 | 125 | 125 | 91 | 140 | 2 | |
| 80 | 132 | 142 | 142 | 111 | 150 | 2 | |
| 100 | 152 | 162 | 162 | 141 | 160 | 2 | |
| 125 | 182 | 192 | 192 | 172 | 190 | 3 | |
| 150 | 206 | 218 | 218 | 202 | 210 | 3 | |
| 200 | 262 | 272 | 282 | 262 | 240 | 3 | |
| 250 | 316 | 326 | 340 | 322 | 270 | 3 | |
| 300 | 370 | 382 | 395 | 362 | 300 | 3 | |
| 350 | 420 | 438 | 454 | 404 | 340 | 6 | |
| 400 | 470 | 492 | 510 | 464 | 365 | 6 | |
| 500 | 575 | 590 | 616 | 564 | 430 | 6 | |
| 600 | 676 | 690 | 726 | 684 | 490 | 6 | |
| 表中未列出的其他規格尺寸,請咨詢汗越閥門技術部! | |||||||
錐型過濾器結構圖

如果你需訂購我廠管道過濾器產品,咨詢時煩請說明結構類型,公稱尺寸、公稱壓力、濾芯材質、過濾精度、法蘭執行標準,是否配對法蘭、螺栓螺母及墊片等,本產品以30目/英寸的不銹鋼絲網作為標準濾網,而且濾框、濾網統一用不銹鋼材料制作。
網站首頁