對夾V型球閥產品概述
VQ377H、VQ377Y對夾V型球閥是一種端部為對夾連接,并在球體的一側開V型缺口,用于調節流量的閥門。該閥有調節型和切斷型兩種,其中調節型為調節閥門開度,改變介質流通的截面積,實現閥門的調節, 而切斷型則為通過閥門的全開或全關,實現對管道內介質的流通或截斷。
VQ377H、VQ377Y對夾V型球閥采用整體式閥體結構設計,不存在產生潛在泄漏的可能,球體V型切口與閥座之間具有剪切作用,特適合含纖維、微小固體顆粒、料漿等介質。本產品具有啟閉迅速,輕便,流體阻力小,結構簡單,相對體積小,重量輕,便于維修,密封性能好等特點。
對夾V型球閥部件材料
| 序號 | 部件名稱 | 材料名稱 | ||||
| 1 | 閥 體 | WCB | CF8 | CF3 | CF8M | CF3M | 
| 2 | 閥 桿 | 2Cr13 | 304 | 304L | 316 | 316L | 
| 3 | 球 體 | WCB | CF8 | CF3 | CF8M | CF3M | 
| 4 | 閥 座 | 304+HF | 304+HF | 304L+HF | 316+HF | 316L+HF | 
| 5 | 彈 簧 | 17-7PH | 17-7PH | 17-7PH | 17-7PH | 17-7PH | 
| 6 | 壓 圈 | WCB | CF8 | CF3 | CF8M | CF3M | 
| 7 | 下 端 蓋 | WCB | CF8 | CF3 | CF8M | CF3M | 
| 8 | 填料壓蓋 | WCB | CF8 | CF3 | CF8M | CF3M | 
| 9 | 填 料 | GRAPHITE | PTFE | PTFE | PTFE | PTFE | 
| 10 | 螺 柱 | 35CrMoA | 304 | 304 | 316 | 316 | 
| 11 | 螺 母 | 45 | 304 | 304 | 316 | 316 | 
對夾V型球閥性能規范
| 公稱壓力PN(MPa) | 0.6 | 1.0 | 1.6 | 2.5 | 2.0 | 
| 殼體試驗壓力(MPa) | 0.9 | 1.5 | 2.4 | 3.75 | 3.0 | 
| 高壓液體密封試驗壓力(MPa) | 0.66 | 1.1 | 1.76 | 2.75 | 2.2 | 
| 低壓氣體密封試驗壓力(MPa) | 0.4~0.7 | 0.4~0.7 | 0.4~0.7 | 0.4~0.7 | 0.4~0.7 | 
| 設計制造 | JB/T 13517、GB/T 12237、GB/T 21385、API 608、ASME B16.34 | ||||
| 結構長度 | JB/T 13517、GB/T 12221、ASME B16.10 | ||||
| 法蘭標準 | JB/T 79、GB/T 9113、HG/T 20592、HG/T 20615、SH/T 3406、ASME B16.5等 | ||||
| 檢驗試驗 | GB/T 13927、GB/T 26480、JB/T 9092、API 598 | ||||
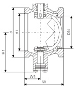
對夾V型球閥主要尺寸
| 公稱壓力 PN  | 公稱通徑 DN  | 外形尺寸/mm | ||||
| W | W1 | H1 | d | d1 | ||
| 10 ~ 16 20 (Class150)  | 25 | 50 | 25 | 81 | 68 | 38 | 
| 32 | 60 | 25 | 86 | 76 | 45 | |
| 40 | 60 | 25 | 90 | 84 | 50 | |
| 50 | 75 | 32 | 93 | 100 | 62 | |
| 65 | 100 | 45 | 108 | 118 | 73 | |
| 80 | 100 | 45 | 123 | 132 | 90 | |
| 100 | 115 | 50 | 138 | 158 | 115 | |
| 125 | 129 | 55 | 148 | 184 | 134 | |
| 150 | 160 | 65 | 170 | 216 | 164 | |
| 200 | 200 | 80 | 200 | 268 | 206 | |
| 250 | 240 | 92 | 240 | 326 | 260 | |
對夾V型球閥結構圖

如果你需訂購我廠V型球閥產品,咨詢時煩請注明規格型號,如無法提供,請說明公稱尺寸、公稱壓力、閥體和內件材質、使用介質、介質溫度范圍及驅動方式等。
網站首頁