偏心半球閥產品概述
PQ340F、PQ340H偏心半球閥是一種端部連接形式為法蘭,閥軸中心軸線與半球體中心線形成尺寸偏量,且僅在閥體一側設置密封副的手動偏心半球閥,其通過轉動蝸輪機構上的手輪驅動閥軸帶動半球體旋轉90度來實現閥門的啟閉動作,從而起到對介質的接通、調節和嚴密截斷的作用。該閥采用偏心設計,閥門開關時,閥芯密封面相對閥座是種擺動運動,即關閉時,閥芯靠上閥座,并且越關越緊,開啟時,閥芯迅速離開閥座,相互無摩擦。本產品可廣泛應用于冶金、選礦、電力等生產工藝中高爐煤粉噴吹、制粉以及除塵系統中的各種管線控制。
PQ340F、PQ340H偏心半球閥利用閥體、半球體和閥座、閥桿作旋轉運動時在共同軌跡自動定心,關閉過程越關越緊,從而達到良好的密封效果。該閥球體表面噴焊鎳基合金粉末或進行硬化處理,增強了其耐磨、耐腐蝕性和抗沖擊能力,提高了閥門的使用時間,并且半球體與閥座有擠切作用,可輕易除去密封面上的結垢與黏連物,能保證密封嚴密可靠,是輸送易沉淀結垢、結晶析出的溶液礦漿、料漿、灰渣等工藝流程中兩相混流體介質用閥。本產品很好的解決了工業生產中的漿狀、混流液體、灰塵等介質在管道輸送中沉淀、易結垢、阻塞等問題。
偏心半球閥部件材料
| 序號 | 部件名稱 | 材料名稱 | |||||
| 1 | 閥 體 | QT450 | WCB | CF8 | CF3 | CF8M | CF3M | 
| 2 | 半 球 體 | QT450 | WCB | CF8 | CF3 | CF8M | CF3M | 
| 3 | 閥 桿 | 2Cr13 | 2Cr13 | 304 | 304L | 316 | 316L | 
| 4 | 閥 座 | R-PTFE、PTFE、TEFLON、NYLON、PPL、PEEK、DEVLON、SS+HF | |||||
| 5 | 壓 圈 | QT450 | WCB | CF8 | CF3 | CF8M | CF3M | 
| 6 | 填料壓板 | WCB | WCB | CF8 | CF8 | CF8 | CF8 | 
| 7 | 填 料 | GRAPHITE、R-PTFE、PTFE、TEFLON、PCTFE | |||||
| 8 | 下 端 蓋 | QT450 | WCB | CF8 | CF3 | CF8M | CF3M | 
| 9 | 螺 柱 | 35 | 35 | 304 | 304 | 316 | 316 | 
| 10 | 螺 母 | 45 | 45 | 304 | 304 | 316 | 316 | 
偏心半球閥性能規范
| 公稱壓力PN(MPa) | 1.0 | 1.6 | 2.5 | 4.0 | 6.3 | 10.0 | 
| 殼體試驗壓力(MPa) | 1.5 | 2.4 | 3.75 | 6.0 | 9.45 | 15.0 | 
| 高壓液體密封試驗壓力(MPa) | 1.1 | 1.76 | 2.75 | 4.4 | 6.93 | 11.0 | 
| 低壓氣體密封試驗壓力(MPa) | 0.4~0.7 | 0.4~0.7 | 0.4~0.7 | 0.4~0.7 | 0.4~0.7 | 0.4~0.7 | 
| 設計制造 | CJ/T 283、GB/T 26146、GB/T 12237、GB/T 21385、API 608、ASME B16.34 | |||||
| 結構長度 | CJ/T 283、GB/T 26146、GB/T 12221、ASME B16.10 | |||||
| 法蘭標準 | JB/T 79、GB/T 9113、HG/T 20592、HG/T 20615、SH/T 3406、ASME B16.5等 | |||||
| 檢驗試驗 | GB/T 13927、GB/T 26480、JB/T 9092、API 598 | |||||
偏心半球閥主要尺寸
| 公稱壓力 PN  | 公稱尺寸 DN  | 結構長度/mm | 公稱壓力 PN  | 公稱尺寸 DN  | 結構長度/mm | ||
| L1 | L2 | L1 | L2 | ||||
| 16 | 40 | 124 | 124 | 16 | 350 | 366 | 430 | 
| 50 | 124 | 178 | 400 | 381 | 530 | ||
| 65 | 145 | 190 | 450 | 430 | 580 | ||
| 80 | 165 | 203 | 500 | 502 | 630 | ||
| 100 | 194 | 229 | 600 | 570 | 800 | ||
| 125 | 213 | 254 | 700 | 660 | 900 | ||
| 150 | 229 | 267 | 800 | 762 | 1000 | ||
| 200 | 243 | 292 | 900 | 864 | 1100 | ||
| 250 | 297 | 330 | 1000 | 978 | 1200 | ||
| 300 | 338 | 356 | 1200 | 1075 | 1300 | ||
| 表中L1和L2分別為短、長系列的結構長度,其中未列出的其他規格參數,請咨詢汗越閥門技術部! | |||||||
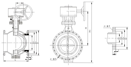
偏心半球閥結構圖

如果你需訂購我廠偏心半球閥產品,咨詢時煩請注明規格型號,如無法提供,請說明公稱通徑、公稱壓力、閥體和內件材質、使用介質、工作溫度及驅動方式等,我公司可按客戶需求承接定制。
網站首頁