雙相鋼Y型三通球閥產品簡介
雙相鋼Y型三通球閥是一種主閥體、支管體、閥蓋、帶柄球體及金屬閥座等主要零部件由2205、2507或ASTM A995 4A(CD3MN)、5A(CE3MN)、6A(CD3MWCuN)及ASTM A182 F51(S31803)、F53(S32750)、F55(S32760)、F60(S32205)等材質鑄造或鍛造而成,通過驅動裝置帶動球桿正反回轉120度或135度,實現對Y形管路中介質流向切換的海水用Y型三通球閥,其閥體中設有兩通孔成120°或135°角的球體以及具有一進兩出的三個管口的流體通道,可以實現二種不同流向的切換。該閥主體所使用的材料為由鐵素體和奧氏體兩相按適當的比例構成的雙相不銹鋼,它不但具有優良的耐點蝕、縫隙蝕、應力腐蝕性能,而且增加了強度和韌性,因此,本產品特適用于工作介質為含氯化物、H?S、CO?等腐蝕性的氣體、液體或顆粒狀物料,以及在海水等包含氯離子的濕潤環境中使用。
雙相鋼Y型三通球閥部件材料
| 序號 | 部件名稱 | 材料名稱 | ||||
| 1 | 閥 體 | 2205 | 2507 | A995 Gr.4A | A995 Gr.5A | A995 Gr.6A | 
| 2 | 支 管 體 | 2205 | 2507 | A995 Gr.4A | A995 Gr.5A | A995 Gr.6A | 
| 3 | 密 封 圈 | R-PTFE、PTFE、TEFLON、NYLON、PPL、PEEK、DEVLON、DSS+HF | ||||
| 4 | 帶柄球體 | 2205 | 2507 | A995 Gr.4A | A995 Gr.5A | A995 Gr.6A | 
| 5 | 閥 蓋 | 2205 | 2507 | A995 Gr.4A | A995 Gr.5A | A995 Gr.6A | 
| 6 | 填 料 | GRAPHITE、R-PTFE、PTFE、TEFLON、PCTFE | ||||
| 7 | 填料壓蓋 | 2205 | 2507 | A995 Gr.4A | A995 Gr.5A | A995 Gr.6A | 
| 8 | 端 蓋 | 2205 | 2507 | A995 Gr.4A | A995 Gr.5A | A995 Gr.6A | 
雙相鋼Y型三通球閥性能規范
| 公稱壓力PN(MPa) | 1.6 | 2.5 | 4.0 | 2.0 | 5.0 | 
| 殼體強度試驗壓力(MPa) | 2.4 | 3.75 | 6.0 | 3.0 | 7.5 | 
| 液體高壓密封試驗壓力(MPa) | 1.76 | 2.75 | 4.4 | 2.2 | 5.5 | 
| 氣體低壓密封試驗壓力(MPa) | 0.6 | 0.6 | 0.6 | 0.6 | 0.6 | 
| 設計制造 | GB/T 12237、GB/T 21385、API 608、ASME B16.34 | ||||
| 結構長度 | 按本廠標準Q/CB的規定或訂貨合同要求 | ||||
| 連接法蘭 | JB/T 79、GB/T 9113、HG/T 20592、HG/T 20615、SH/T 3406、ASME B16.5等 | ||||
| 檢驗試驗 | GB/T 26480、JB/T 9092、API 598 | ||||
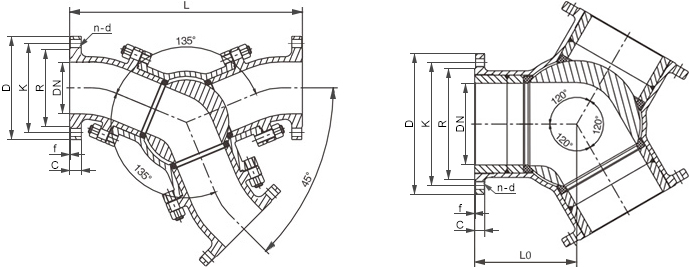
雙相鋼Y型三通球閥主要尺寸
| 公稱壓力 PN  | 公稱通徑 DN  | 外形及連接尺寸/mm | ||||||
| L | L0 | D | K | R | C-f | n-d | ||
| 16 | 50 | 340 | 110 | 160 | 125 | 100 | 16-3 | 4-?18 | 
| 65 | 400 | 130 | 180 | 145 | 120 | 18-3 | 4-?18 | |
| 80 | 410 | 150 | 195 | 160 | 135 | 20-3 | 8-?18 | |
| 100 | 460 | 170 | 215 | 180 | 155 | 20-3 | 8-?18 | |
| 125 | 560 | 190 | 245 | 210 | 185 | 22-3 | 8-?18 | |
| 150 | 660 | 210 | 280 | 240 | 210 | 24-3 | 8-?23 | |
| 200 | 800 | 235 | 335 | 295 | 265 | 26-3 | 12-?23 | |
| 250 | 1030 | 290 | 405 | 355 | 320 | 30-3 | 12-?25 | |
| 300 | 1140 | 350 | 460 | 410 | 375 | 30-4 | 12-?25 | |
| 表中未列出的其他規格尺寸,請咨詢汗越閥門技術部! | ||||||||
雙相鋼Y型三通球閥結構圖

如果你需訂購我廠三通球閥產品,咨詢時煩請說明結構類型(L型、T型、Y型)、公稱尺寸、公稱壓力、閥體和內件材料、使用介質及組分、工作溫度、驅動方式(手動、蝸輪傳動、氣動、電動、液動等)、端部連接形式等。
網站首頁