HRF3高溫高壓圓盤式蒸汽疏水閥產品概述
HRF150、HRF3高溫高壓圓盤式蒸汽疏水閥閥體采用鑄件或鍛件鉻鉬鋼、鉻鉬釩鋼等合金鋼材料制造,其工作溫度在540℃~570℃之間,動作靈敏,該閥閥片、閥座采用馬氏體不銹鋼材質,并通過熱處理,使它在高溫高壓下不變形、耐磨損。本產品適于在火力發電廠高溫高壓工況條件下使用,主要安裝在高溫高壓飽和蒸汽主管線和高壓過熱蒸汽設備上自動排放凝結水并阻止蒸汽逸出。
HRF150、HRF3高溫高壓圓盤式蒸汽疏水閥閥內部裝有自動吹除裝置,皇冠式閥片,密封可靠,蒸汽保溫裝置,高效節能,該閥可迅速排除設備啟動時的空氣及凝結水,排量大,漏汽率小。本產品抗腐蝕性強,動作可靠,經久耐用,在工作壓力范圍內,無需調整,節能效果好,其內置過濾網,能有效阻止雜質進入閥內,保證蒸汽疏水閥正常工作,它能在管路上更換零部件,維護簡便。
HRF3高溫高壓圓盤式蒸汽疏水閥部件材料
序號  | 部件名稱  | 材料名稱  | ||||
1  | 閥 蓋  | A105  | A217 WC6  | A217 WC9  | A182 F11 CL.2  | A182 F22 CL.3  | 
2  | 閥 體  | A105  | A217 WC6  | A217 WC9  | A182 F11 CL.2  | A182 F22 CL.3  | 
3  | 閥 座  | A276 420  | A276 420  | A276 420  | A276 420  | A276 420  | 
4  | 閥 片  | A276 420  | A276 420  | A276 420  | A276 420  | A276 420  | 
5  | 過 濾 網  | A240 304  | A240 304  | A240 304  | A240 304  | A240 304  | 
6  | 墊 片  | A240 304  | A240 304  | A240 304  | A240 304  | A240 304  | 
7  | 螺 栓  | A193 B7M  | A193 B16  | A193 B16  | A193 B16  | A193 B16  | 
8  | 螺 母  | A194 2HM  | A194 4  | A194 4  | A194 4  | A194 4  | 
HRF3高溫高壓圓盤式蒸汽疏水閥性能規范
公稱壓力PN(MPa)  | 10.0  | 16.0  | 25.0  | 32.0  | 40.0  | 
殼體試驗壓力(MPa)  | 15.0  | 24.0  | 38.0  | 48.0  | 60.0  | 
設計制造  | GB/T 22654-2008 蒸汽疏水閥 技術條件  | ||||
結構長度  | GB/T 12250-2005 蒸汽疏水閥 術語、標志、結構長度  | ||||
連接法蘭  | JB/T 79、JB/T 82、GB/T 9113、GB/T 9115、HG/T 20592、HG/T 20615、ASME B16.5等  | ||||
螺紋標準  | GB/T 7306.1、GB/T 7306.2、GB/T 7307、GB/T 12716、ASME B1.20.1等  | ||||
焊接端部  | 承插焊按JB/T 7746或ASME B16.11,對焊按GB/T 12224或ASME B16.25等  | ||||
檢驗試驗  | GB/T 12251-2005 蒸汽疏水閥 試驗方法  | ||||
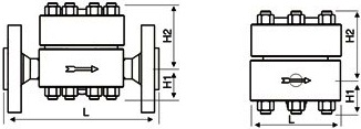
HRF3高溫高壓圓盤式蒸汽疏水閥外型尺寸
產品型號  | 公稱通徑 DN(mm)  | 尺寸(mm)  | 連接方式  | |||
L  | H1  | H2  | W  | |||
HRF3  | 15  | 230  | 78  | 35  | 135  | 法蘭  | 
20  | 230  | 78  | 35  | 135  | ||
25  | 230  | 78  | 35  | 135  | ||
HRW3  | 15  | 130  | 78  | 35  | 135  | 承插焊  | 
20  | 130  | 78  | 35  | 135  | ||
25  | 130  | 78  | 35  | 135  | ||
HR3  | 15  | 130  | 78  | 35  | 135  | 內螺紋  | 
20  | 130  | 78  | 35  | 135  | ||
25  | 130  | 78  | 35  | 135  | ||
HRF150  | 15  | 400  | 122  | 58  | 228  | 法蘭  | 
20  | 400  | 122  | 58  | 228  | ||
25  | 400  | 122  | 58  | 228  | ||
32  | 400  | 122  | 58  | 228  | ||
40  | 400  | 122  | 58  | 228  | ||
50  | 400  | 122  | 58  | 228  | ||
HRW150  | 15  | 220  | 122  | 58  | 228  | 承插焊  | 
20  | 220  | 122  | 58  | 228  | ||
25  | 220  | 122  | 58  | 228  | ||
32  | 320  | 122  | 58  | 228  | ||
40  | 320  | 122  | 58  | 228  | ||
50  | 320  | 122  | 58  | 228  | ||
HRF3高溫高壓圓盤式蒸汽疏水閥結構圖

如果你需訂購我廠高溫高壓圓盤式蒸汽疏水閥,煩請確認閥體和內件材料、公稱通徑、公稱壓力、使用壓力、工作溫度、凝結水排放量,如果你使用的場合十分復雜時,請提供設計圖紙或詳細參數,由本公司技術員為您審核把關。
網站首頁